
This product contains the following detailsProduct Model
| Name | Type | Reference Voltage (V) | Accuracy class |
Basic Current (Max. Current) (A) |
| Three-phase four-wire prepaid electronic energy meter | DTSY606 |
3×220/380
|
1, 2 |
3×1.5(6), 3×3(6), 3×1(10), 3×5(20), 3×5(30), 3×5(40), 3×10(40), 3×5(50), 3×5(60), 3×10(50), 3×10(60), 3×15(60), 3×10(80), 3×15(90), 3×20(80), 3×10(100), 3×20(100), 3×30(100) |
| 3×57.7/100 | 1.5(6), 3(6) |
| Three-phase three-wire prepaid electronic energy meter | DSSY606 |
3×380 |
1, 2 |
3×1.5(6), 3×3(6), 3×1(10), 3×5(20), 3×5(30), 3×5(40), 3×10(40), 3×5(50), 3×5(60), 3×10(50), 3×10(60), 3×15(60), 3×10(80), 3×15(90), 3×20(80), 3×10(100), 3×20(100), 3×30(100) |
| 3×100 | 1.5(6), 3(6) |
Note: 1) "M" in the specification code represents multiple of current.
2) The function of connect via VT/CT is only available for 1.5(6)A, 1(10)A and 3(6)A, and the rated secondary current is 5A.
The function of internal relay connected directly is only available for three-phase four-wire prepaid electronic energy meter connected directly with max current ≤60A
Ordering information
The Ordering code for a DTSY606 three-phase four-wire prepaid electronic energy meter with 485 interface and connect via VT/CT (220/380V, Class 1 & 1.5 (6)A) is DTSY606MQ16M4H485.
■ The design and structure of the energy meter ensure no danger when used under rated conditions.
■ Three-phase prepaid electronic energy meter consists of case, internal circuit board and terminal box. The card slot on the front side of the case is available to insert card for electricity purchase.
■ Dual-direction energy metering can measure accurately Forward and backward power. The two direction energy is metered as one direction.
■ Prepayment for electricity use. Energy meter will alarm when the electricity pre-purchased is less than set, will disconnect with relay & cut off power when the electricity pre-purchased is used up.
■ The power supply of energy meter with internal relay connected directly can be cut off directly through internal magnetic latching relay, while the power supply of energy meter with external relay connected directly or via CT/VT can be cut off through external AC connector or shunt release. (it is recommended to use CJX1, CJX2, CDC17 series AC connectors)
■ The used energy and dump energy is displayed in cycle by digital tube display. The display precision is 0.01kW?h. The LED indicates the states of the meter, including power supply, alarming, and power outage.
■ The memorization function ensures the data is not lost when the power is off and is recovered after power recovery. The data of the meter can be saved for 10 years after the power is off.
■ The meter can recognize invalid cards. It displays "Err" when an invalid card is inserted.
■ Max. Storage Energy: 99999.9 kW?h;
■ Use normal contact IC card that can be used for 100,000 times.
■ Feature with function of three-class alarming and energy on credit, and the function of alarm display, audible alarm, alarm & power-off, and energy on credit are optional.
■ Feature with 485 communication, is able to read meter serial number, as well as the data of remained energy, used energy, time(s) of energy purchasing, last purchased energy etc., and comply with DL/T 645-2007 Communication Protocol;
| Certificate | ZZ No. 00000321 |
| National Standard | GB/T 17215.321, GB/T 18460.3 |
| International Standard | IEC 62053-21 |
| Current Specifications A | 3×1.5(6), 3×3(6), 3×1(10), 3×5(20), 3×5(30), 3×5(40), 3×10(40), 3×5(50), 3×5(60), 3×10(50), 3×10(60), 3×15(60), 3×10(80), 3×15(90), 3×20(80), 3×10(100), 3×20(100), 3×30(100) |
| Reference Voltage V |
3×57.7/100, 3×220/380, 3×100, 3×380 |
| Accuracy class (Class) |
1,2 |
| Power Consumption | Power Consumption of Voltage Circuit≤2W/10VA, Power Consumption of Current Circuit≤4VA |
| Product Name | Current Specifications (A) |
Outline Dimensions Length×Width×Height (mm) |
Installation Dimensions Length×Width (mm) | Case Material |
|
DTSY606 DSSY606 |
3×1.5(6),3×3(6),3×1(10),3×5(20),3×5(30),3×5(40), 3×10(40), 3×5(50), 3×5(60), 3×10(50), 3×10(60), 3×15(60), 3×10(80), 3×15(90), 3×20(80), 3×10(100), 3×20(100), 3×30(100) |
218×146×72 | 200(210)×130 | PC+ABS(non-flammable) |
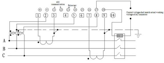
Wiring Diagram:
■Wiring diagram of external power cut-off device of DTSY606 three-phase four-wire prepaid electronic energy meter connected via CT
■Wiring diagram of external power cut-off device of DTSY606 three-phase four-wire prepaid electronic energy meter with external relay connected directly
■Wiring diagram of DTSY606 three-phase four-wire prepaid electronic energy meter with internal relay connected directly
■Wiring diagram of external power cut-off device of DTSY606(57.7/100V) three-phase four-wire prepaid electronic energy meter Y-connected via VT & connected via CT
■Wiring diagram of external power cut-off device of DSSY606 three-phase three-wire prepaid electronic energy meter connected via CT
■Wiring diagram of external power cut-off device of DSSY606 three-phase three-wire prepaid electronic energy meter with external relay connected directly
■Wiring diagram of external power cut-off device of DSSY606(3×100V) three-phase three-wire prepaid electronic energy meter V-connected via secondary single-phase VT & connected via CT

CHINESE


Print this page
Fav this page
E-mail us: yqyb@delixi.com