
IC card smart flowmeter controllers are prepaid valve controllers used with flowmeter. Recharge the controller via IC card, and remote communication interface is added. It’s convenient to monitor the data of controller, close the valve, adjust the price and recharge remotely .The controller reads the data of flowmeter through RS485 interface.
This sampling method can not be easily disturbed and it has high reliability, avoiding the occurrence of erroneous counting due to the pulsation of the sampling of other similar products.
Payment will be processed based on money deduction, which is convenient to adjust the price of prestored gas of controller when the price of natural gas changes.
The meter adopts the method of tiered pricing, and there will be different deductions for different gas.
LCD displays cumulative total, instantaneous flow, temperature, pressure, residual gas, battery status, valve status etc., which is easy to read.
The meter is equipped with Lithium battery power supply, micro-power circuit design, and the built-in battery can be used for more than five years. When connecting with external remote monitoring, it is also available to connect the external long-term power supply.
The meter embedded pulse suppression, lightning protection to protect circuits. It is designed to achieve full electrical isolation between all output interfaces and the internal control system, with strong anti-interference and good reliability.|
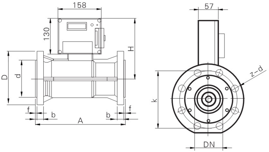
nominal diameter(mm) |
Working pressure(MPa) |
valve pressure lose(Pa) |
Qmax(M3/H) |
|
DN25 |
≤0.4 |
120~150 |
17.7 |
|
DN40 |
≤0.4 |
120~150 |
45.2 |
|
DN50 |
≤0.4 |
150~200 |
70.7 |
|
DN80 |
≤0.4 |
150~200 |
181.0 |
|
DN100 |
≤0.4 |
180~220 |
282.7 |
|
DN150 |
≤0.4 |
200~280 |
636.2 |
|
DN200 |
≤0.4 |
250~320 |
1131.0 |

□ It is prohibited to install at bedroom, bathroom and the place stored with dangerous goods and flammables, or somewhere similar to the aforesaid.
□ The installation of gas meter should satisfy the requirements of meter reading, repairing, maintenance and safety operation.
CHINESE


Print this page
Fav this page
E-mail us: yqyb@delixi.com
This product contains the following details